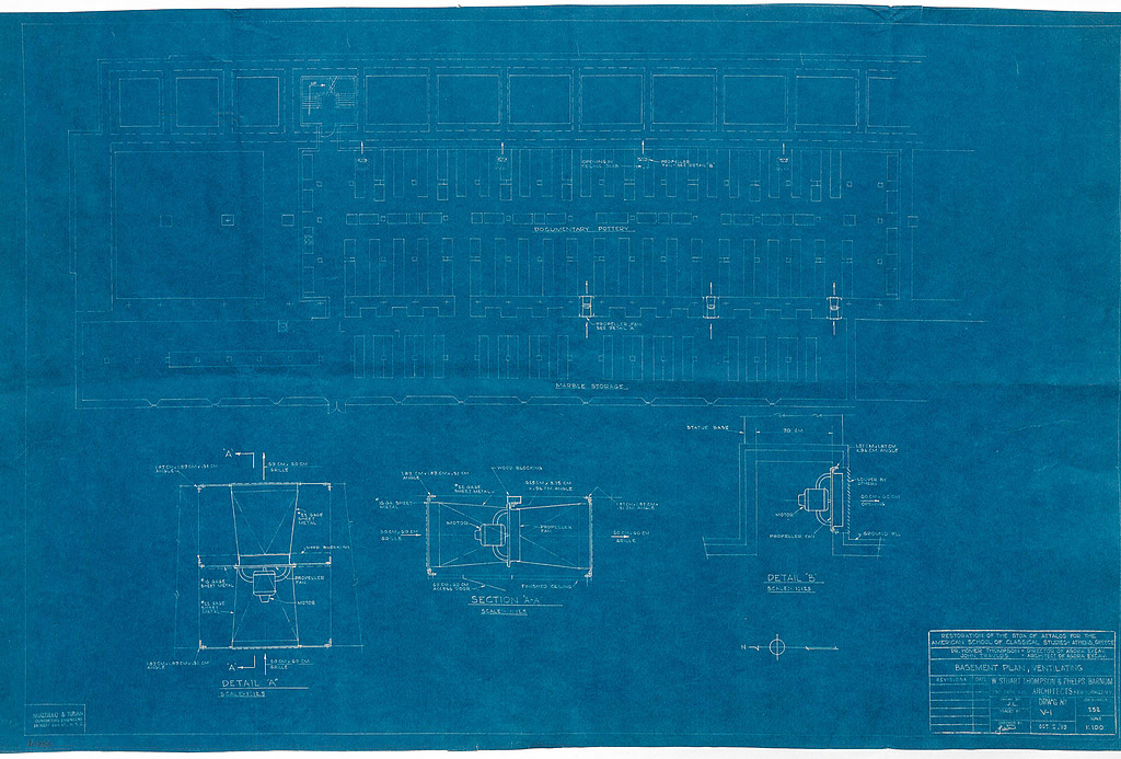
Drawing: DA 1686Stoa of Attalos Reconstruction Project. Basement plan, ventilation.
image
Name:   DA 1686
Other Number:   V-1, Job 252
Title:   Stoa of Attalos Reconstruction Project. Basement plan, ventilation.
Artist:   W. Stuart Thompson
    Phelps Barnum
    J. L.
Storage:   44-1
Material:   Blueprint
Size Sheet:   0.905 x 0.578
Scale:   1:100
Date:   1953
Section:   ΣΑ
References:   Monument: Stoa of Attalos