| Title: | Pyre | |
| Supervisor: | Matt McCallum | |
| Category: | Pyre | |
| Keyword: | Archaic-Classical | |
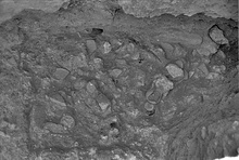
| Description: | The pyre was uncovered in a small, triangular area between the BZ Building foundations (but at a lower level) and the northern scarp of the current excavation area. It rested in a patch of orange-brown fill left over after scarping operations related to the BZ Building foundations in 2004. The pots were deposited over an area of 1.15m. x 0.50m. Found amongst the pyre fill were pieces of burnt bone, concentrated areas of charcoal, and iron slag. All finds were kept, as was the fill, for future analysis and flotation. No evidence of an associated floor surface came to light. At the time of writing, the finds from the pyre and associated pottery (baulk cleaning, 1701, 1702) are still in conservation. They will be pieced together by conservation and then examined in detail by another supervisor, Marcie Handler, during autumn 2006. The preliminary date for this pyre is Early Hellenistic. This will no doubt be refined once the pottery is examined in detail. | |
| Bibliography: | Hesperia Suppl. 47 (2013), no. 19, p. 121, figs. 22, 45, 48. | |
| Date: | 1-7 August 2006 | |
| Section: | ΒΖ | |
| Grid: | J/3,4-2/3,4 | |
| Elevation: | 52.282-52.158m. | |
| Masl: | 52.158-52.282m. | |
| References: | Publication: Hesperia Suppl. 47 (2013) Image: 2012.87.1518 (2006-19-31) Image: 2012.87.1605 (2006-23-5) Image: 2013.09.0029 Objects (28) |